网站首页
关于我们
产品中心
应用中心
联系我们
产品中心
电机驱动
电子开关
智能电控
安防电子
定制ASIC
汽车电子
主页
>
产品中心
>
电子开关
>
IGBT驱动器
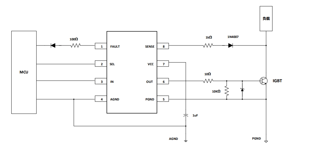
IGBT驱动器
序号
产品型号
封装形式
电源电压
开关速度
输出电压
欠压保护
过压保护
典型应用
资料
1
MX421
SOP8
≤24V
<1us
11V/18V
√
√
电磁炉 IGBT 驱动方案